Ventilátor do potrubí Dalap TURBINE P 200
Popis
Plastový radiální ventilátor Turbine 200 P do potrubí o průměru 200mm je navržený na odtah vzduchu z malých a středně velkých místností, i do vlhkého prostředí - koupelny, sprchy, kuchyně, skleníky, kina, chaty, obchody. Motor s oběžným kolem s dozadu zahnutými lopatkami zaručuje optimální výkon při zachování nízké hlučnosti a dostatečný tlak pro středně dlouhé vzduchotechnické rozvody. Je vhodný pro ventilační potrubí o vzdálenostech okolo 13 m
Výhody potrubního plastového radiálního ventilátoru Dalap TURBINE P 200
-
nízká hlučnost - 46 dB(A)
-
průtok vzduchu 780 m³/h
-
vysoký tlak až 360 Pa
-
odolnost až 40 000 hodin nepřetržitého provozu
-
stupeň krytí IPX4
-
vhodný do vlhkého prostředí
-
velmi jednoduchá montáž
-
montážní konzole součástí balení
Potrubní radiální ventilátor Dalap TURBINE P 200 je vyrobený z tvrdého a trvanlivého ABS plastu, který snese náročné podmínky a je vhodný i do místností s vyšší hladinou vlhkosti.
Ventilátor je osazený oběžným kolem s dozadu zahnutými lopatkami a kuličkovými ložisky. Díky tomu vydrží až 40 000 hodin provozu. Dále je vybavený tepelnou pojistkou, která znemožňuje přehřátí.
Radiální ventilátor do potrubí Dalap TURBINE P 200 je určený pro montáž do pevného i ohebného potrubí, pro vertikální i horizontální umístění. V obou pozicích můžete očekávat spolehlivý chod s maximálním výkonem.
Vzhledem ke svým technickým parametrům je ideální tento potrubní ventilátor použít pro střední vzdálenosti větracího potrubí, okolo 13 metrů.
Technické parametry:
-
Průměr [mm]: 200
-
Průtok vzduchu [m³/hod]: 780
-
Příkon [W]: 107
-
Statický tlak [Pa]: 360
-
Otáčky [min]: 2660
-
Jmenovitý proud [A]: 0,47
-
Akustický hluk [dB/3m]: 46
-
Stupeň krytí [IP]: X4
-
Napětí [V]: 230
-
Frekvence [Hz]: 50
-
Váha [kg]: 3,0
-
Materiál: plast, kov
-
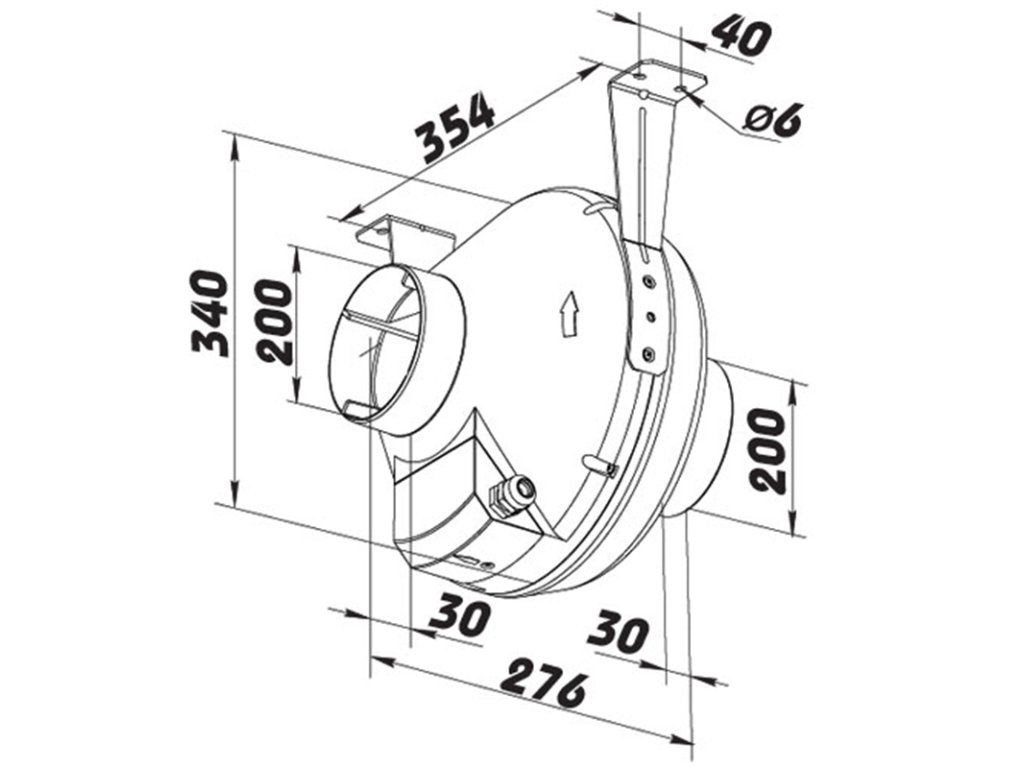
Rozměry [mm]: viz obrázek
-
Kuličková ložiska: ano
-
Využití: dům, kancelář, koupelna, garáž, sklep
-
Provozní teplota [°C]: -25 až +55
-
Barva: bílá
-
Certifikační značka [CE]: CE
-
Použití: pro odtah vzduchu
-
Montáž: do vzduchotechnického potrubí
-
Životnost: 40 000 hodin
-
Provedení ventilátoru: radiální
Podobné produkty
| Hmotnost | 3 kg |
| Napájení (?) | 230 V |
| Příkon [W] (?) | 107 |
| Jmenovitý proud [A] | 0,47 |
| Statický tlak [Pa] | 360 |
| Průměr | 200 |
| Kuličková ložiska (?) | Ano |
| Časový spínač (?) | Ne |
| Čidlo vlhkosti (?) | Ne |
| Barva | bílá |
| Materiál | plast, kov |
| Montáž | do vzduchotechnického potrubí |
| Použití | pro odtah vzduchu |
| životnost | 40 000 hodin |
| Akustický hluk [dB/3m] | 46 |
| Certifikační značka [CE] | CE |
| Frekvence [Hz] | 50 |
| Otáčky [min] | 2660 |
| Provedení ventilátoru | radiální |
| Provozní teplota [°C] | -25 až +55 |
| Průtok vzduchu [m³/hod] | 780 |
| Rozměry [mm] | viz obrázek |
| Stupeň krytí [IP] | X4 |
| Termostat (?) | Ne |
| Váha [kg] | 3,0 |
| Využití | dům, kancelář, koupelna, garáž, sklep |
Ventilátory do potrubí Dalap TURBINE P
Buďte první, kdo napíše příspěvek k této položce.
Pouze registrovaní uživatelé mohou vkládat příspěvky. Prosím přihlaste se nebo se registrujte.
Dalap GmbH
- adresa: Töpfergasse 72, 09526 Olbernhau, Deutschland
- e-mail: info@dalap.eu
- web: https://www.dalap.eu/
