Izolace pro kruhové potrubí 125/1m
Popis
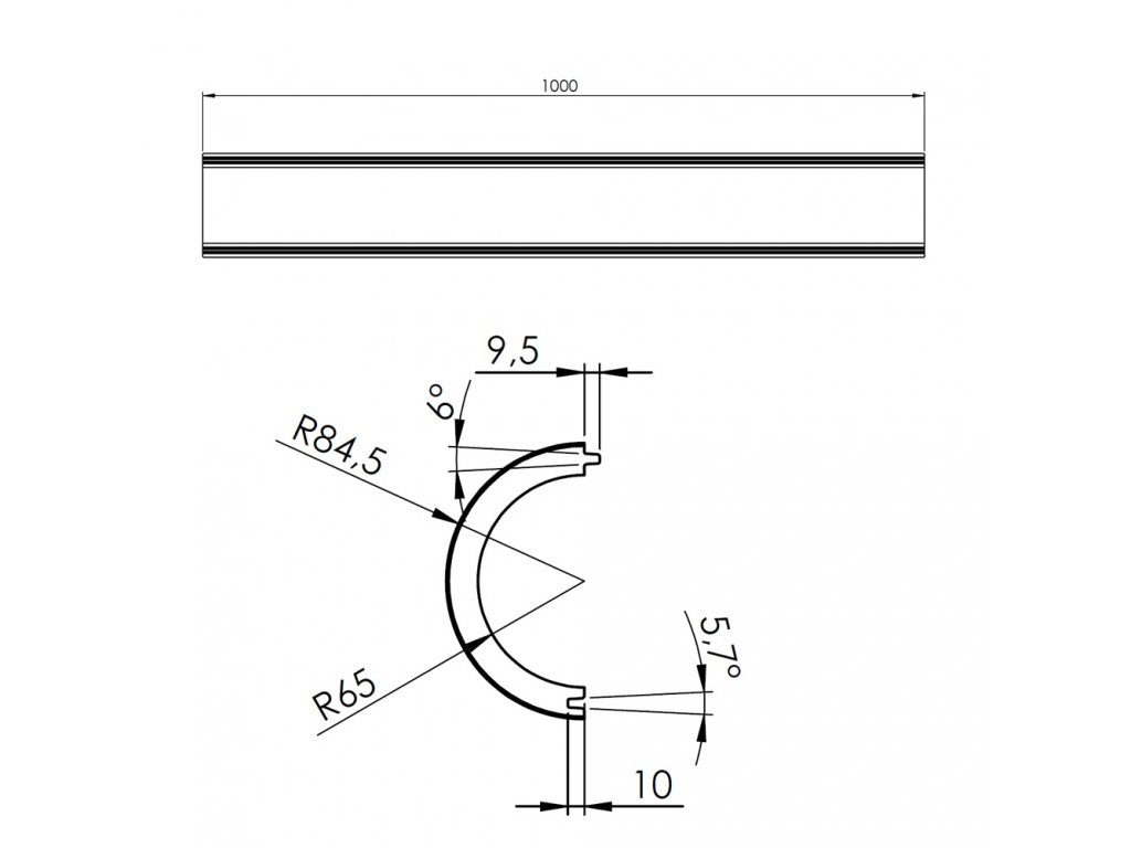
Izolace z odolného polystyrenu pro kruhové ventilační potrubí o průměru 125 mm a délce 1 m. Izolace je vhodná především pro potrubí, kde je velký teplotní rozdíl a hrozí vznik kondenzátu. Tato izolace tomu zabrání a ještě ochrání potrubí před poškozením a dokáže snížit celkový hluk v potrubí. Izolace je odolná do teploty, až +70°C.
Izolace je vyrobena ze dvou dílu, což zajistí snadnou instalaci na potrubí. Potrubí vložíme do první části izolace a druhou částí jí uzavřeme. Izolace má integrované zámky, takže perfektně drží při sobě.
Technické parametry:
-
barva: bílá
-
certifikační znaky: CE
-
délka: 1 m
-
materiál: tvrzený polystyren
-
montáž: mezi potrubí
-
provozní teplota: -25 až +70°C
-
průměr: 125 mm
-
žáruvzdornost: ne
-
tloušťka: 2 cm
Podobné produkty
Buďte první, kdo napíše příspěvek k této položce.
Pouze registrovaní uživatelé mohou vkládat příspěvky. Prosím přihlaste se nebo se registrujte.
Dalap GmbH
- adresa: Töpfergasse 72, 09526 Olbernhau, Deutschland
- e-mail: info@dalap.eu
- web: https://www.dalap.eu/
