Kovové koleno pro kruhové potrubí 90 st./ 315 mm s těsnící gumou
Popis
Kovové kulaté koleno 90° s těsnící gumou pro potrubí Ø 315 mm Dalap BEND-O 90/315
Kruhové koleno z pozinkovaného plechu s gumovým těsněním Dalap BEND-O 90/315 slouží ke spojení a k odbočení kulatých vzduchotechnických potrubí (například Spiro apod.).
Ohyb je určen pro přímou instalaci do potrubních součástí stejného průměru 315 mm. Koleno může být součástí prakticky jakéhokoliv ventilačního systému. Jednoduchá instalace zasunutím do potrubí. Koleno vydrží krátkodobě teplotu až do 100 °C.
Kolena BEND-O jsou vyrobeny z pozikovaného plechu a navíc opatřena těsnící gumou. Těsnění na spojce je dvoubřité a z EPDM materiálu. Montáž je snadná díky inovativnímu systému SPIRO COMFORTCLICK, bez použití složitého nářadí (spoje se do sebe jednoduše nastrčí) stačí pouze jedno nacvaknutí a je hotovo. Díky tomuto systému s těsnící gumou jsou spoje v potrubí mnohem těsnější a není nutné používat lepící pásku k utěsnění. Při krátkodobém působení snese koleno teplotu max. 100 °C. Maximální teplota pro běžný provoz je do 80 °C.
Kompatibility se bát nemusíte, bez problémů pasuje s klasickými potrubím (vzduchovody) o totožném průměru. Koleno je kompatibilní se všemi ventilačními prvky o stejném průměru - redukce, zpětné klapky, příruby, tvarovky, odbočky, spojky, či záslepky.
Pro ještě lepší utěsnění spoje lze použít i lepící pásku.
Výhody při instalaci:
-
snadná a rychlá montáž
-
pohodlnější manipulace v menším prostoru
-
minimální potřeba nářadí
Výhody v průběhu používání:
-
méně otvorů, šroubů a nýtů ve vzduchovodech
-
snížené riziko výskytu bakterií, díky lepší dostupnosti pro čištění
-
plně kompatibilní s jinými systémy
Průměr [mm]: 315
Verze: 90°
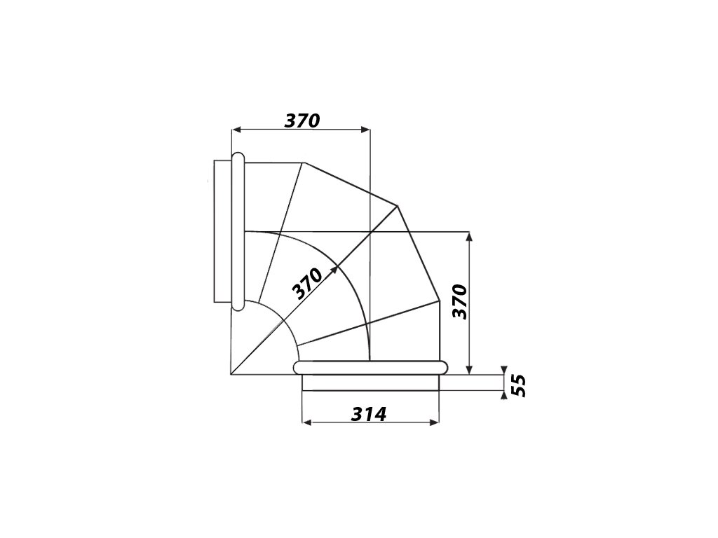
Rozměry [mm]: viz obrázek
Váha [kg]: 1,3
Barva: stříbrná
Teplota max [°C]: -30 až +80
Materiál: pozinkovaný plech, těsnící guma EPDM
Použití: pro spojení / odbočení vzduchovodů
Montáž: mezi potrubí
Verze uchycení: do potrubí
Těsnící guma: ano
Podobné produkty
| Hmotnost | 1.3 kg |
| Průměr | 315 |
| Verze | 90° |
| Průměr [mm] | 315 |
| Verze | 90° |
| Váha [kg] | 1,3 |
| Barva | stříbrná |
| Teplota max [°C] | -30 až +80 |
| Materiál | pozinkovaný plech, těsnící guma EPDM |
| Použití | pro spojení / odbočení vzduchovodů |
| Montáž | mezi potrubí |
| Verze uchycení | do potrubí |
| Těsnící guma | ano |
Buďte první, kdo napíše příspěvek k této položce.
Pouze registrovaní uživatelé mohou vkládat příspěvky. Prosím přihlaste se nebo se registrujte.
Dalap GmbH
- adresa: Töpfergasse 72, 09526 Olbernhau, Deutschland
- e-mail: info@dalap.eu
- web: https://www.dalap.eu/
